Esquema eléctrico

Solicite esquemas eléctricos especiales al servicio técnico de ABUS. Véase ABUS-Service.

 

Abreviatura

Nombre

-A1

Pletina de alimentación, pletina del mando directo

-H32

Sobrecarga

-S1

Pulsador de paro de emergencia

-S11

Bocina

-S12

Carro

-S13

Mando tándem

-S21

Botón de elevación

-S22

Taster Senken

-S31

Interruptor fin de carrera de emergencia

-S32

Tara

-S41

Botón de traslación de carro a la derecha

-S42

Botón de traslación de carro a la izquierda

-S61

Botón de traslación de grúa avance

-S62

Botón de traslación de grúa atrás

-S85

Luz de la grúa

-X2

Conexión por enchufe para botonera

-X21

Conexión por enchufe para motor de elevación

 

 

 

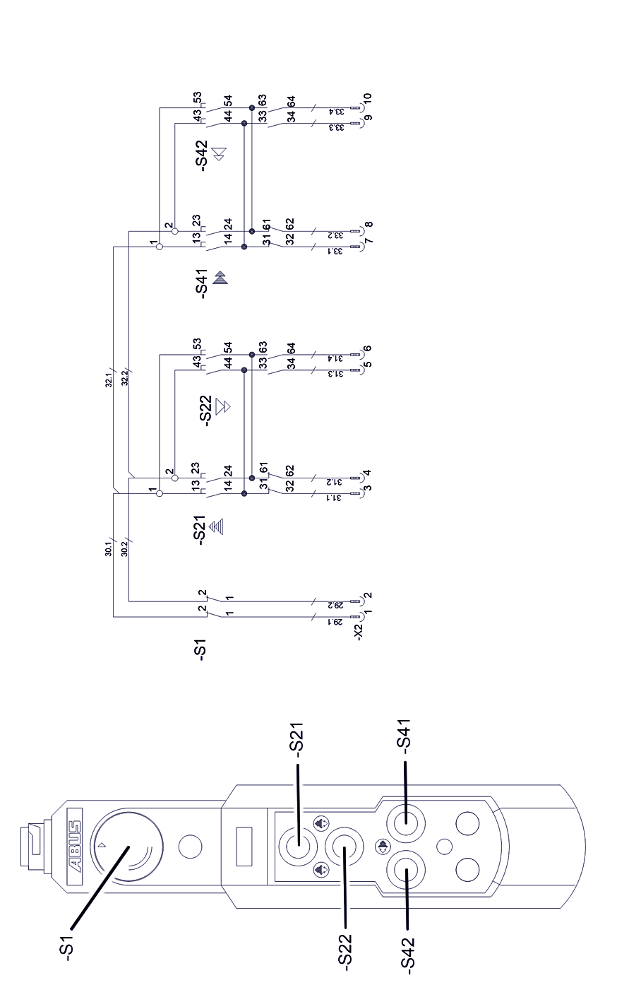
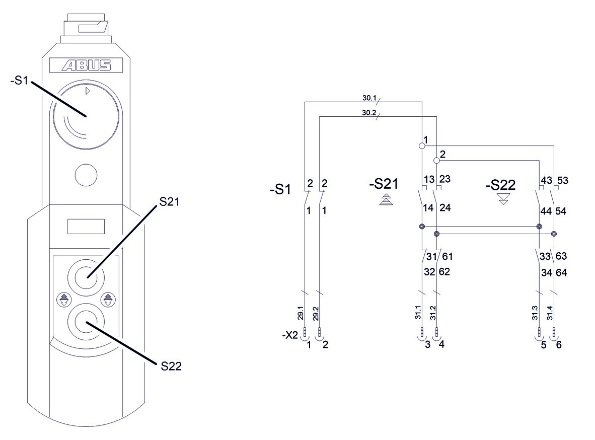
HT211 mando directo (N200) – esquema eléctrico

Haga clic en la imagen para verla a pantalla completa

 

 

 

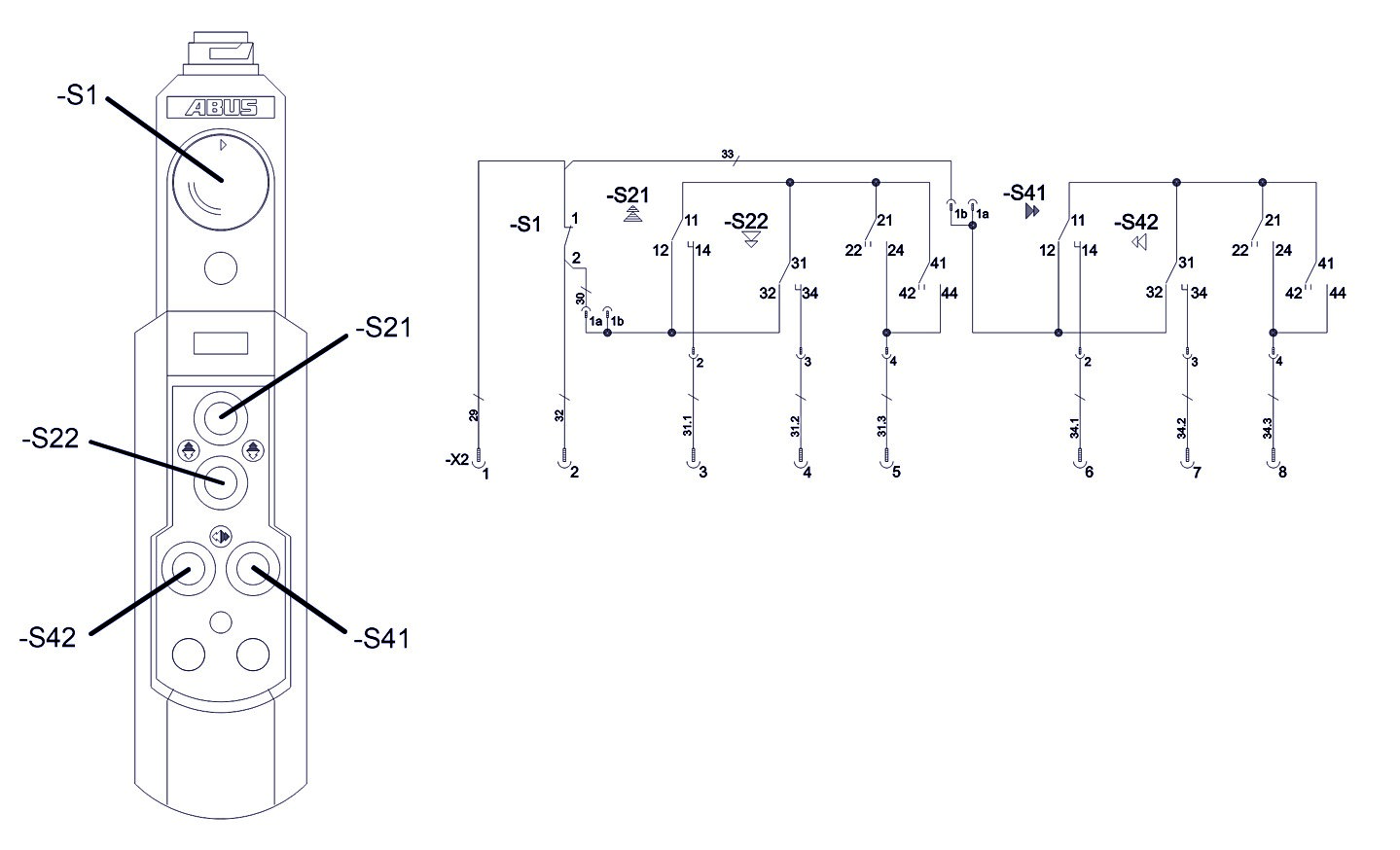
HT211 mando electrónico (N200) – esquema eléctrico

Haga clic en la imagen para verla a pantalla completa

 

 

 

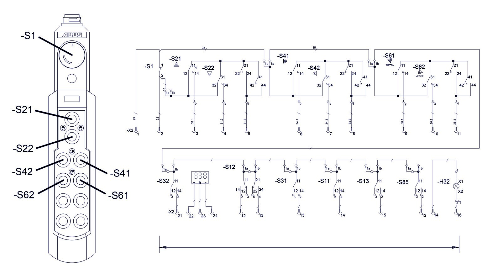
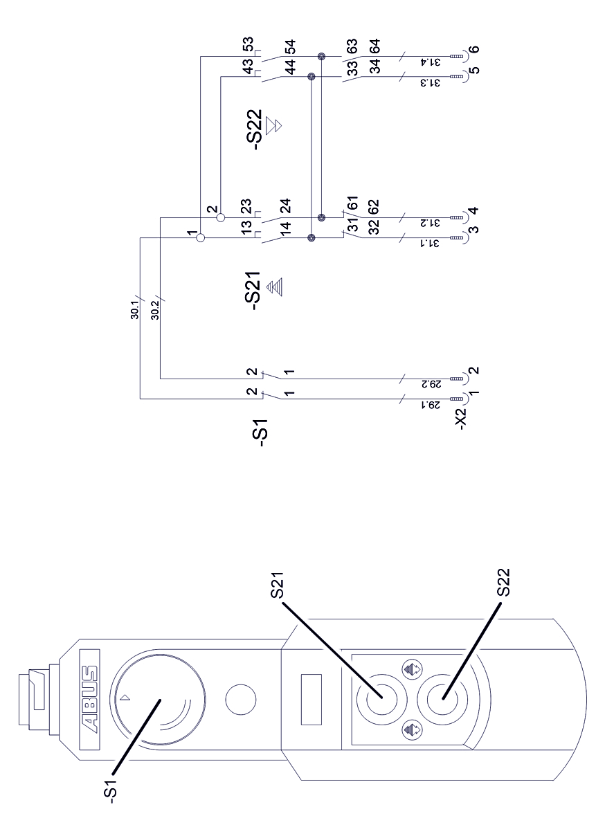
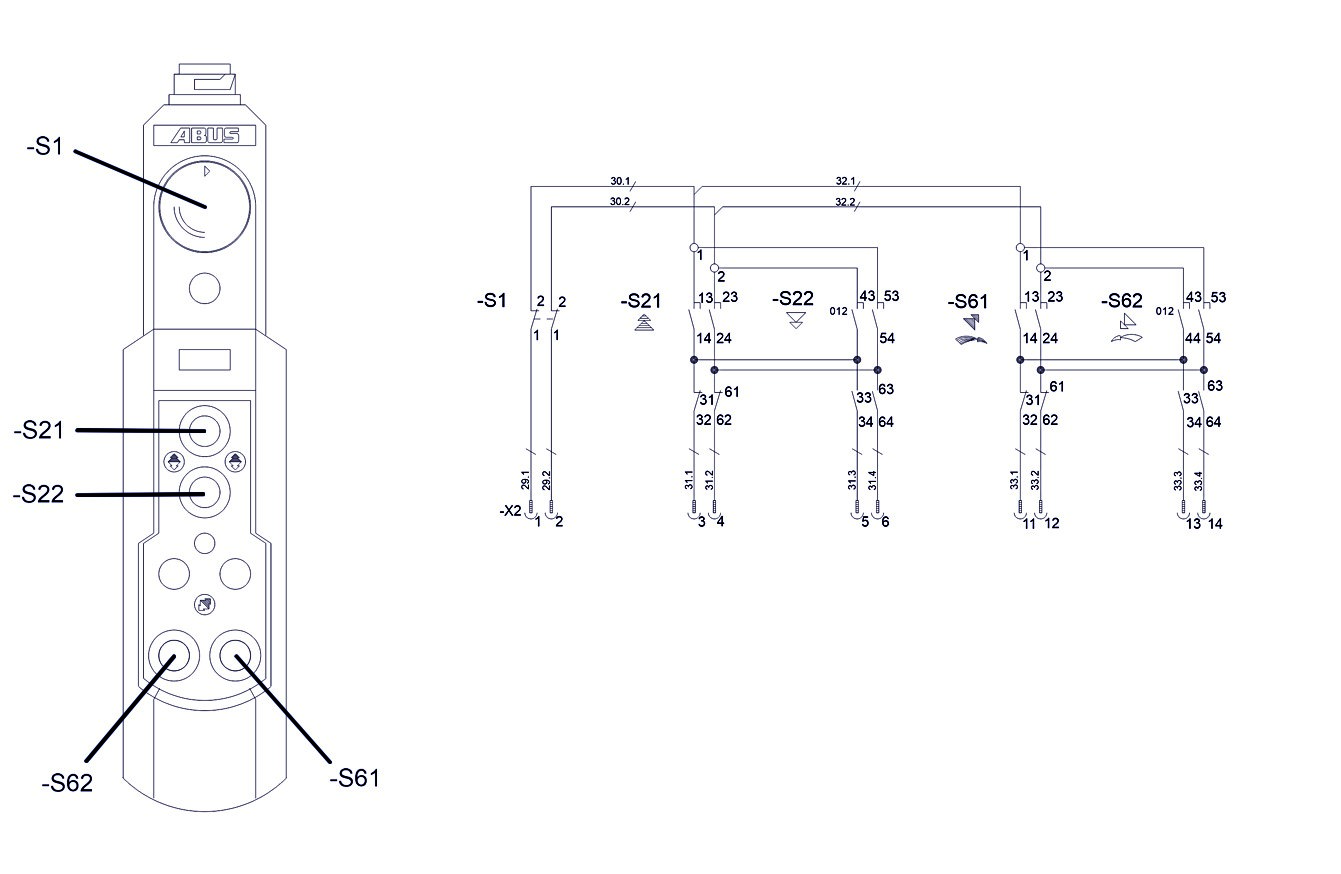
HT611 mando directo (N202K/S) – esquema eléctrico

Haga clic en la imagen para verla a pantalla completa

 

 

 

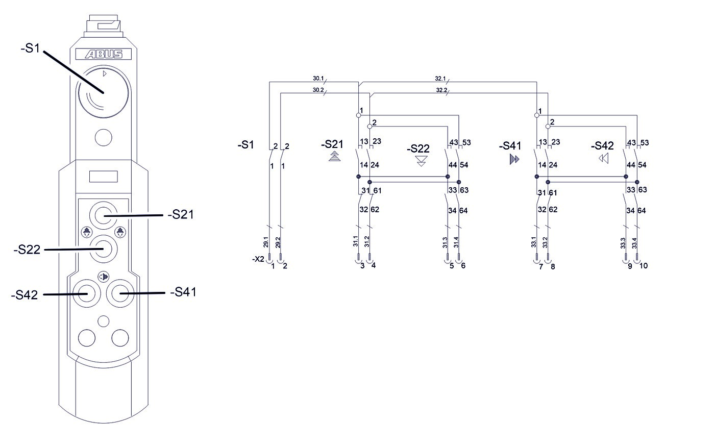
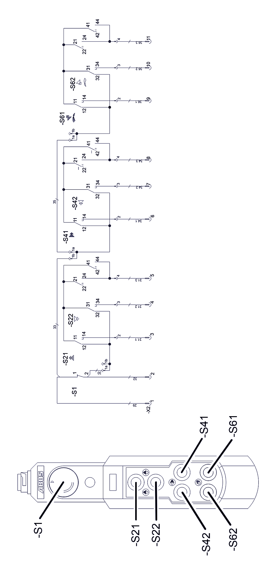
HT611 mando directo (N220) – esquema eléctrico

Haga clic en la imagen para verla a pantalla completa

 

 

 

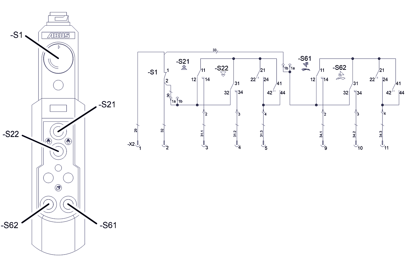
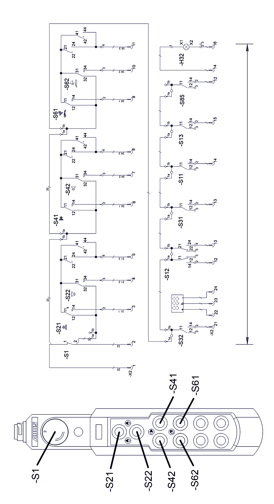
HT611 mando directo (N222K/S) – esquema eléctrico

Haga clic en la imagen para verla a pantalla completa

 

 

 

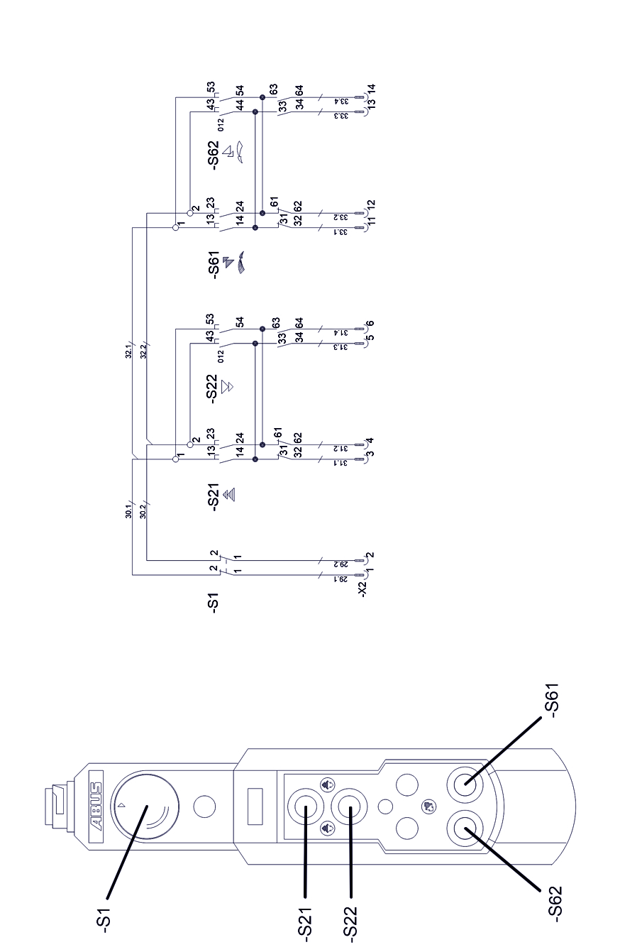
HT611 mando electrónico (N202K/S) – esquema eléctrico

Haga clic en la imagen para verla a pantalla completa

 

 

 

HT611 mando electrónico (N220) – esquema eléctrico

Haga clic en la imagen para verla a pantalla completa

 

 

 

HT611 mando electrónico (N222K/S) – esquema eléctrico

Haga clic en la imagen para verla a pantalla completa

 

 

 

HT1011 mando electrónico (N222K/S) – esquema eléctrico

Haga clic en la imagen para verla a pantalla completa