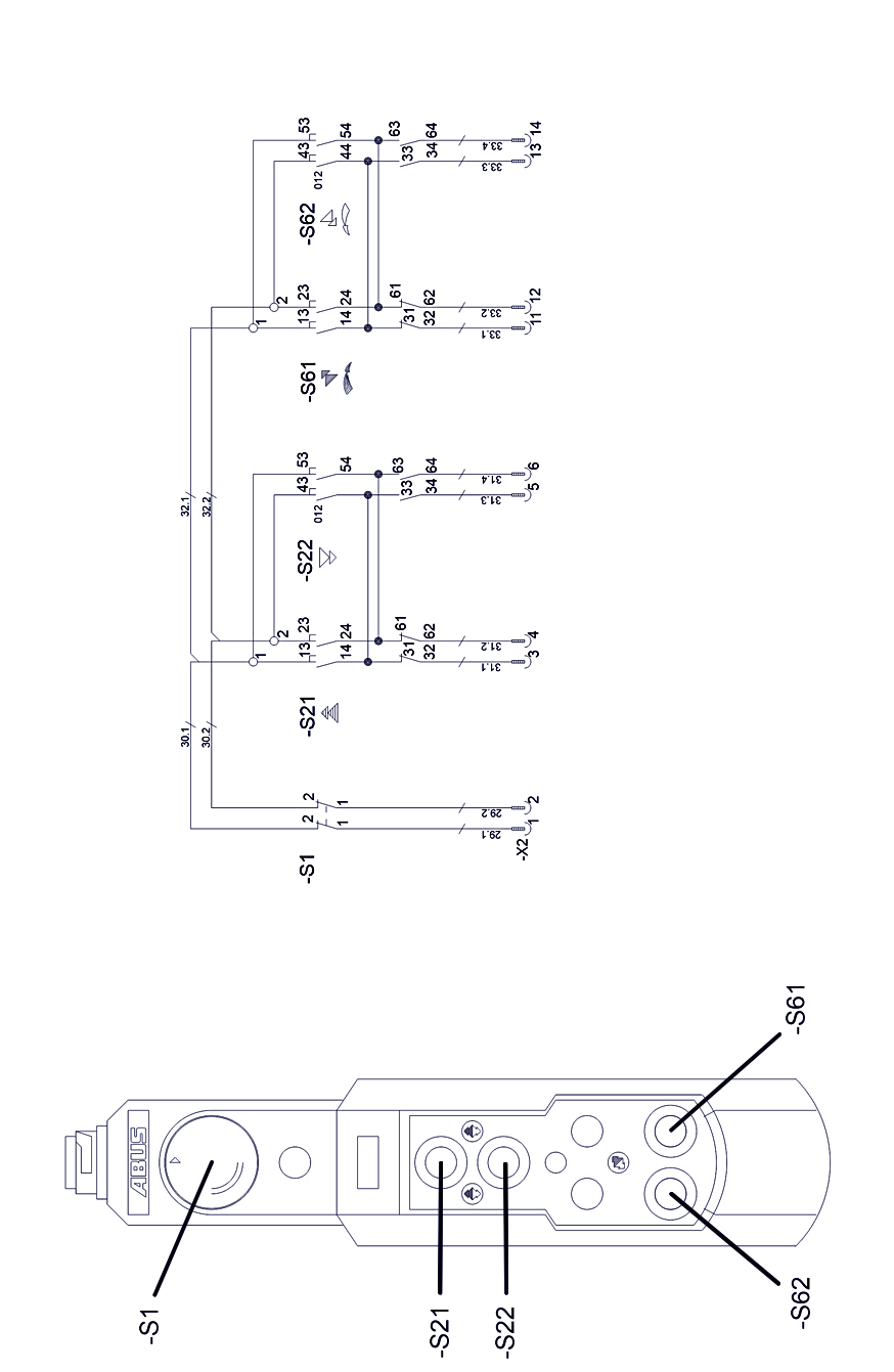
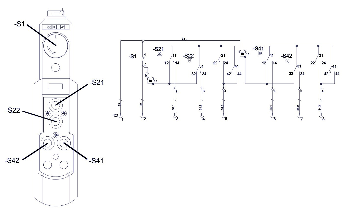
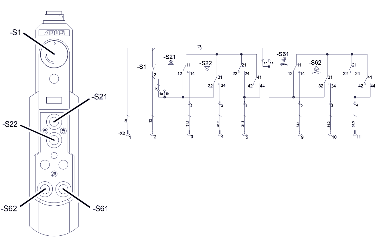
Wiring diagrams

Special wiring diagrams can be obtained from ABUS Service. See ABUS-Service.

 

Abbreviation

Designation

-A1

Supply PCB, direct control PCB

-H32

Overload

-S1

Emergency stop button

-S11

Horn

-S12

Trolley

-S13

Tandem control system

-S21

Lift button

-S22

Lower button

-S31

Emergency limit switch

-S32

Tare

-S41

Trolley travel toward right button

-S42

Trolley travel toward left button

-S61

Forward crane travel button

-S62

Reverse crane travel button

-S85

Crane lamp

-X2

Plug-in connection for pendant control

-X21

Plug-in connection for hoist motor

 

 

 

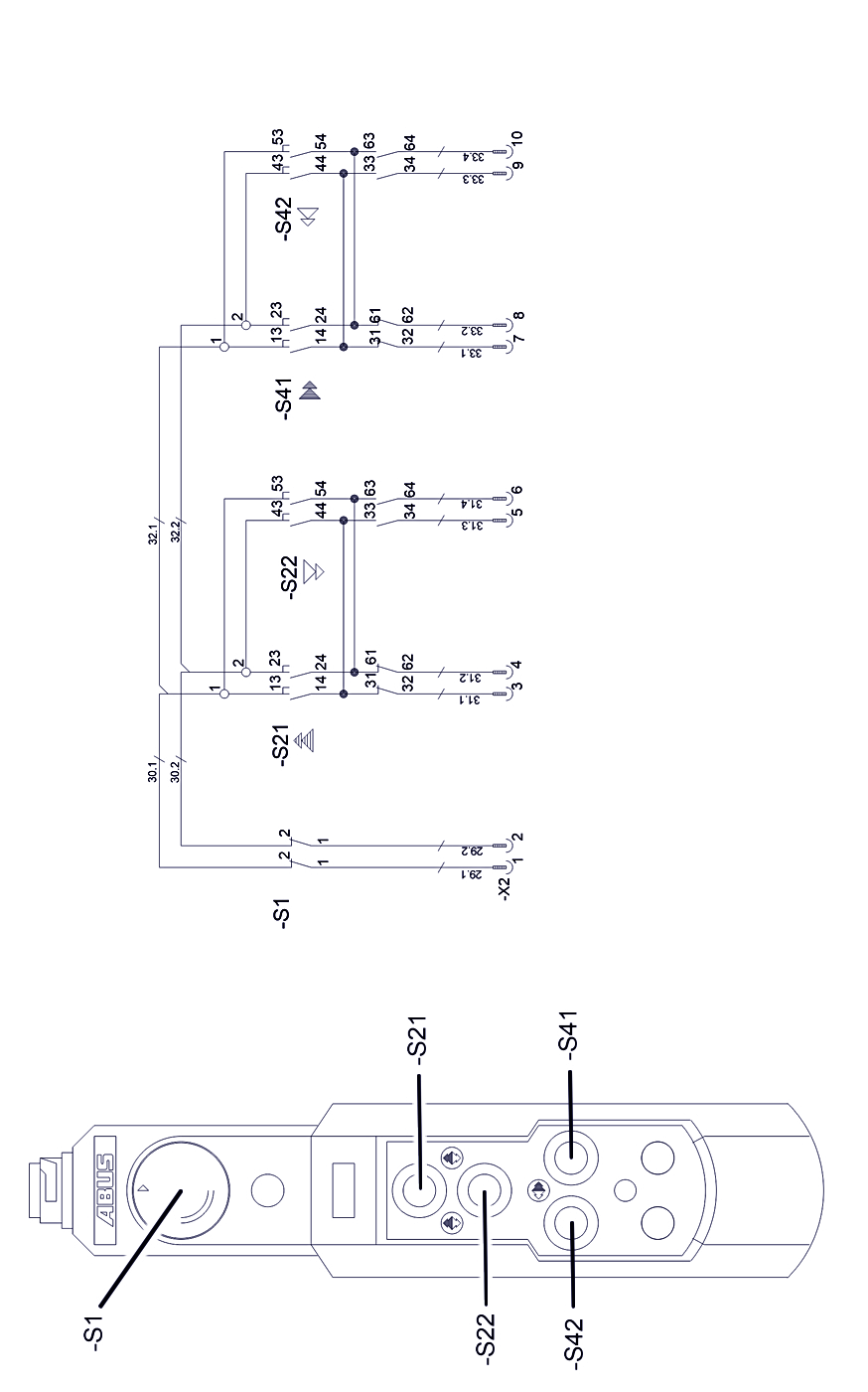
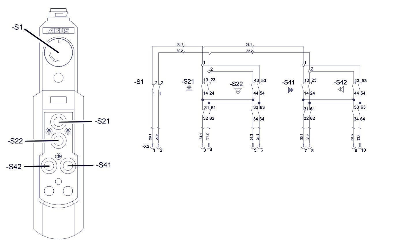
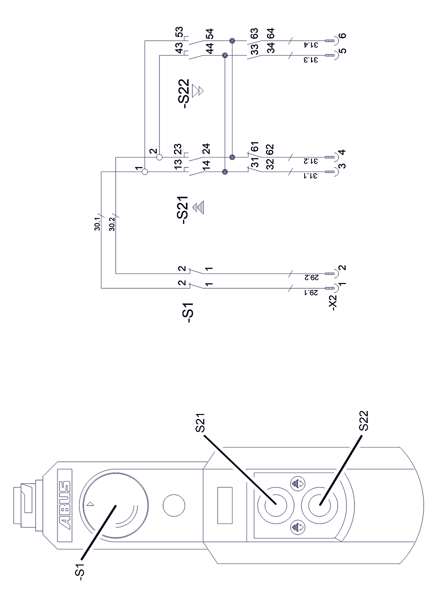
HT211 Direct control (N200) – wiring diagram

Click image for full size

 

 

 

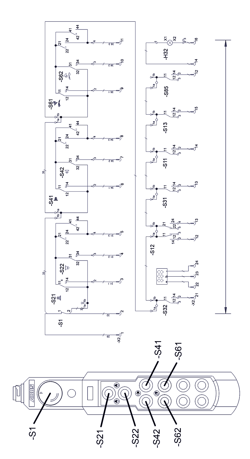
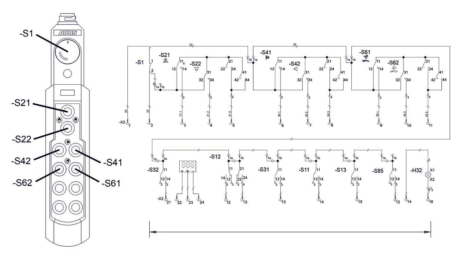
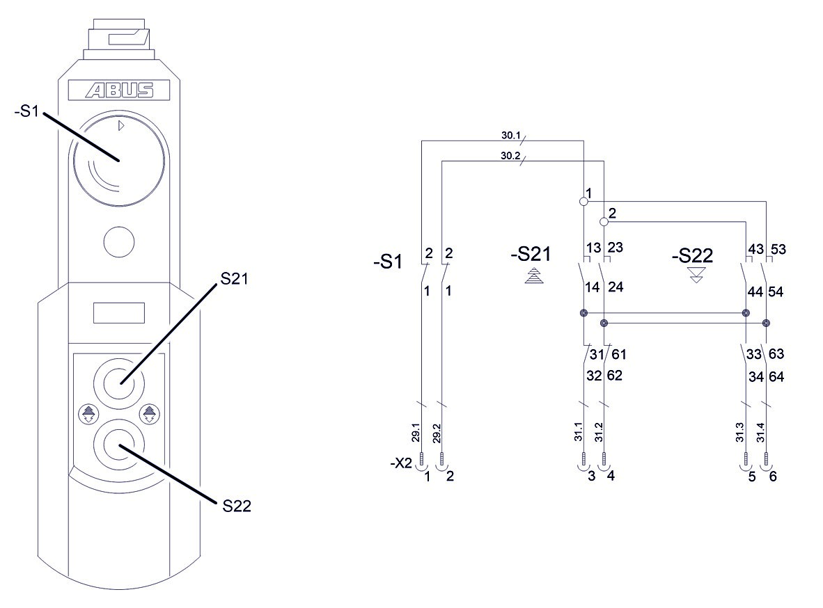
HT211 Electronic control (N200) – wiring diagram

Click image for full size

 

 

 

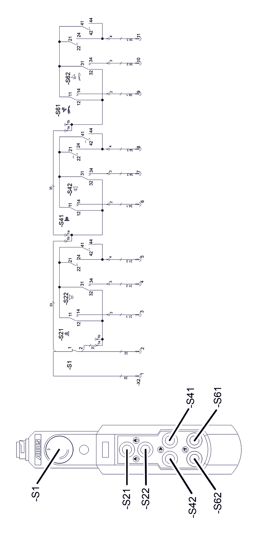
HT611 Direct control (N202K/S) – wiring diagram

Click image for full size

 

 

 

HT611 Direct control (N220) – wiring diagram

Click image for full size

 

 

 

HT611 Direct control (N222K/S) – wiring diagram

Click image for full size

 

 

 

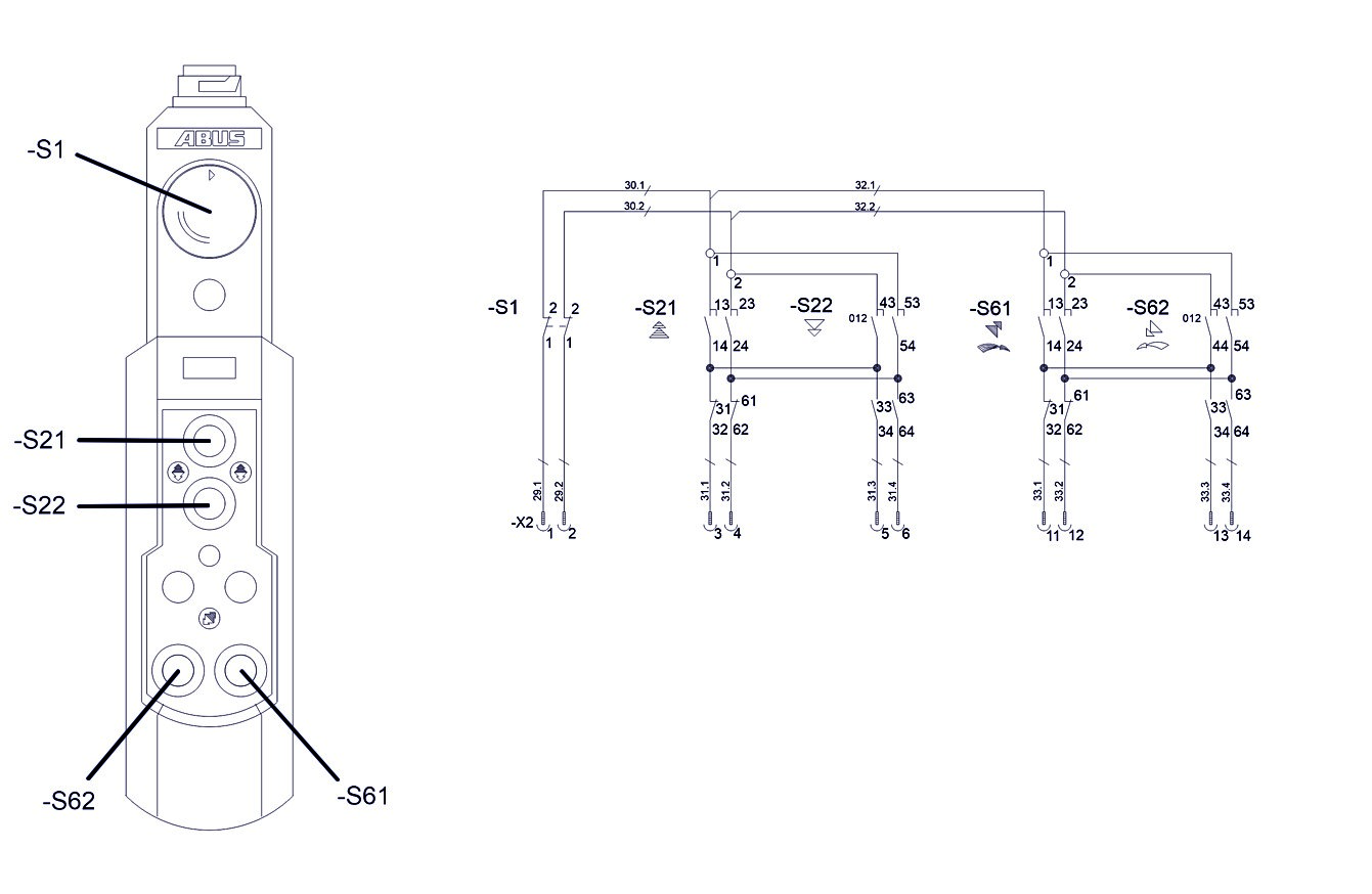
HT611 Electronic control (N202K/S) – wiring diagram

Click image for full size

 

 

 

HT611 Electronic control (N220) – wiring diagram

Click image for full size

 

 

 

HT611 Electronic control (N222K/S) – wiring diagram

Click image for full size

 

 

 

HT1011 Electronic control (N222K/S) – wiring diagram

Click image for full size